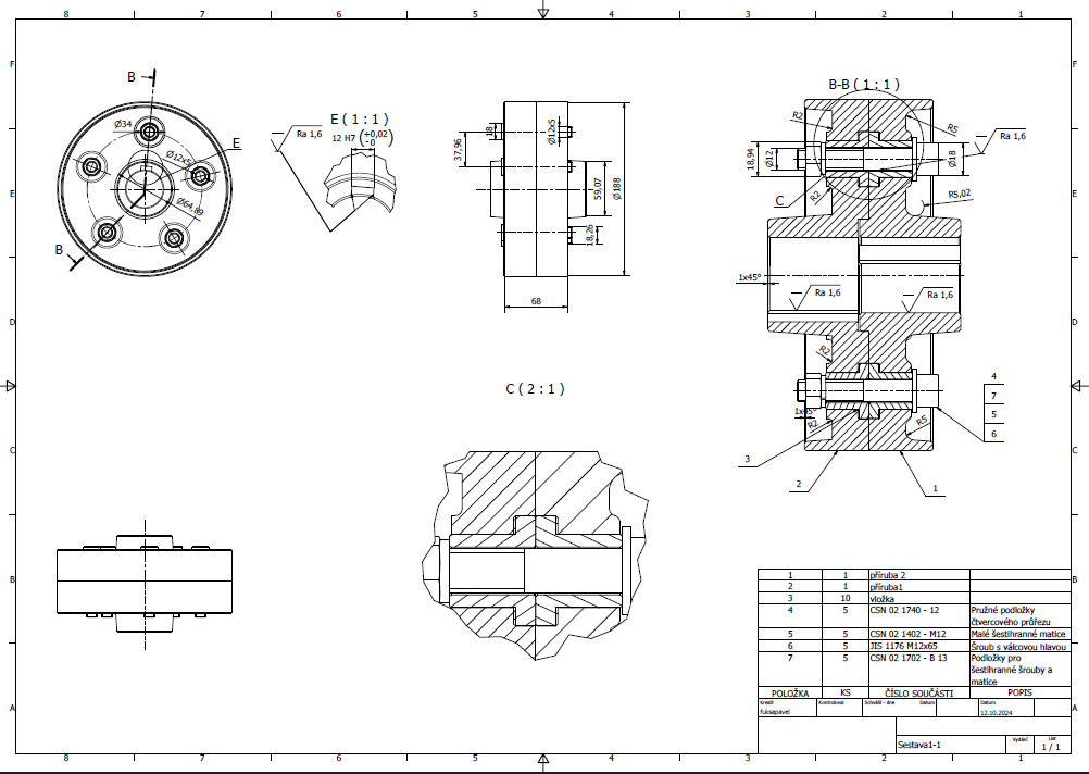
3D & 2D modelování | Technická dokumentace & výkresy
Potřebujete kvalitní technické výkresy nebo 3D model pro výrobu? Nabízím profesionální 2D a 3D modelování pro strojírenské a technické projekty.
Co nabízím?
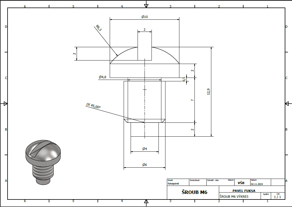
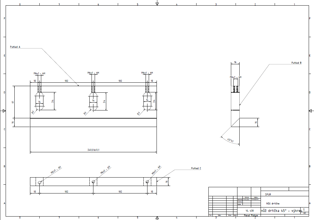
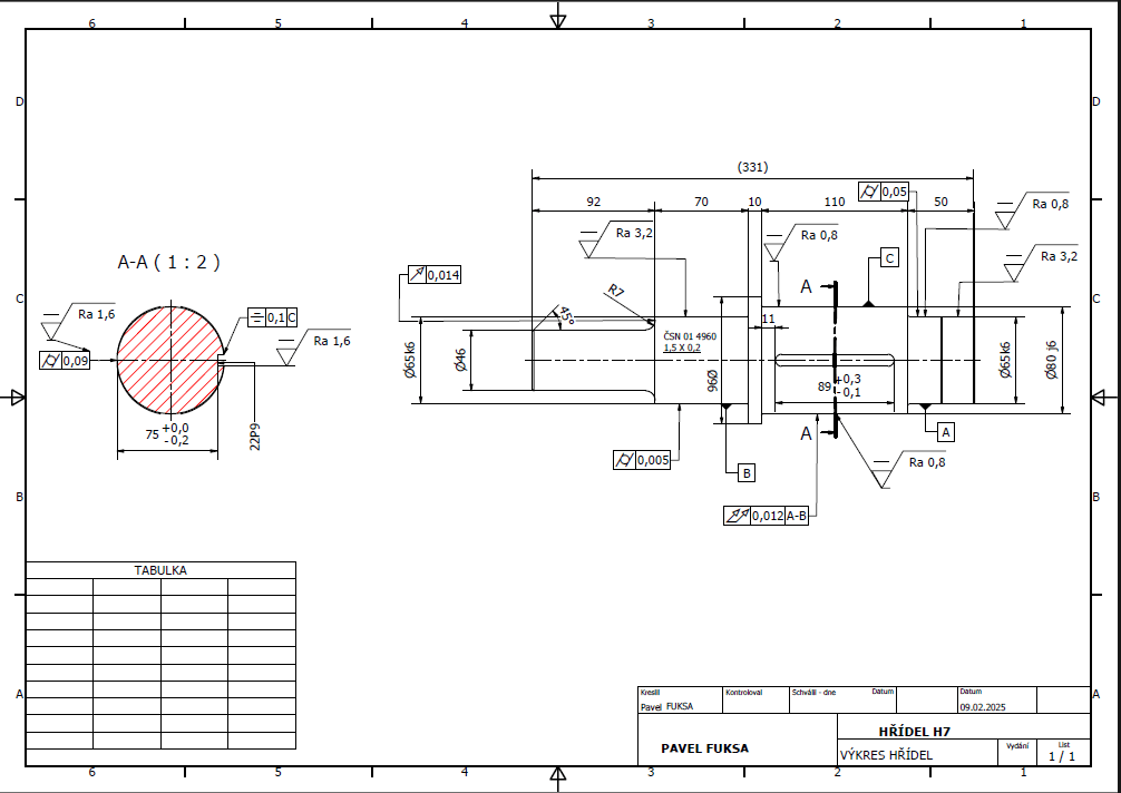
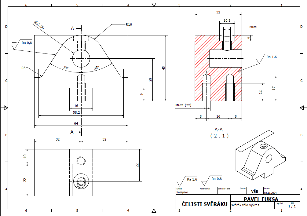
✅ 2D technické výkresy – včetně kót, tolerancí a popisů
✅ 3D modely – přesné CAD modely připravené pro výrobu
✅ Výrobní dokumentaci – kompletní podklady pro CNC obrábění nebo laserové řezání
✅ Úpravy a revize – podle vašich požadavků
Proč si vybrat mě?
✔ Zkušenosti v oblasti strojírenství
✔ Práce v Autodesk Inventor
✔ Rychlé dodání a férové ceny
✔ Možnost expresního zpracování
Pokud máte dotazy nebo speciální požadavky, napište mi zprávu. Rád vám pomohu!
