Nabízím:
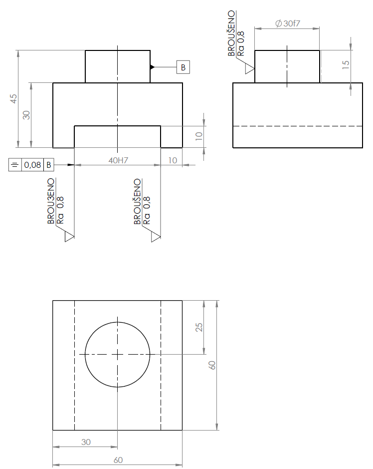
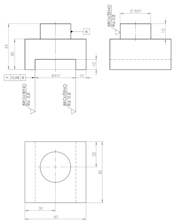
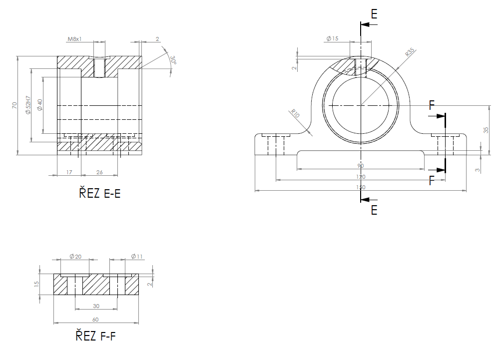
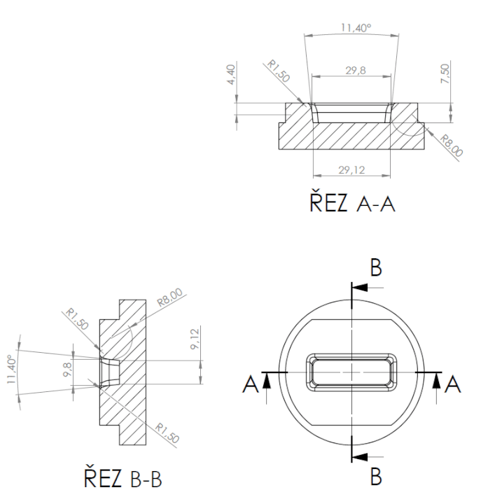
- 2D technické výkresy pro strojírenskou výrobu: Vytvoření výkresů dle zadání včetně kótování, tolerancí, drsnosti povrchu, materiálových specifikací a dalších prvků důležitých pro výrobu a kontrolu.
- 3D modely strojních součástí a sestav: Zhotovení 3D modelů podle výkresů, skic nebo technických popisů. Vhodné pro CNC obrábění, 3D tisk, vizualizace nebo simulace.
- Digitalizace návrhů a skic: Překreslení ručně kreslených návrhů, konceptů nebo starších výkresů do elektronické podoby (CAD), připravené pro další technické zpracování.
- Modelování podle návrhu: Vytvoření přesných 3D modelů na základě vašich představ, vhodných pro konstrukční návrhy, prezentace nebo výrobní dokumentaci.
Výstup dat:
- formáty 3D modelů (STEP, Parasolid, IGES, 3D PDF)
- formáty 2D výkresů (DXF, DWG, PDF)
Před zakoupením Jobu mě prosím vždy kontaktujte. Každý výkres má svá specifika a náročnost, proto doporučuji individuální konzultaci a cenovou kalkulaci přizpůsobenou vašemu projektu!
